
由PC(聚碳酸酯)或COC(Topas)材质加工而成的鱼骨型混合器(Staggered Herringbone Micromixer,SHM),又被称为人字型混合器,是通过类似鱼骨形结构的通道来混合两相液体,通过控制两相液体的总流速TFR和流速比FRR,实现不同粒径尺寸的纳米颗粒如LNP、siRNA-LNP、mRNA-LNP、PLGA和聚合物纳米颗粒等的制备。
该鱼骨型混合器通过迷你鲁尔接头连接,可确保导管的入口和出口连接无泄漏。
塑料鱼骨型混合器使用方便,价格低且混合效果显著:
● 迷你鲁尔接头连接:无泄漏
● 高强度和光学透明材料:PC或COC
● 标准显微镜载玻片尺寸
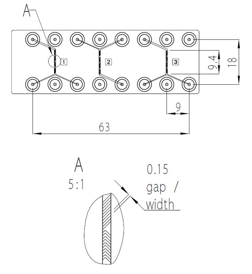
该微混合器可将两种液体快速混合。液体的横向流动速度会加快溶液的有效混合。由于同一个片子上有3个混合器,因此,您可以将它们串联在一起以进一步改善混合效果。
● 盖片厚度:175μm(PC)或188μm(COP)
● 通道深度:200μm
● 通道宽度:入口300μm,混合器600μm,出口600μm
● 材质:PC或COP
● 1个芯片

迷你鲁尔接头连接:适配外径1/16英寸导管或1/32英寸导管,必要的时候,可用生料带缠绕迷你鲁尔接头,实现紧固性的无泄漏连接。

PC(聚碳酸酯)是一种透明的热塑性塑料,其疏水性低于COC或COP,并且具有更好的填充性能。它可以用于较高温度的应用例如PCR。这种材料的缺点是与COC、COP或PMMA相比,其具有相对较高的具有荧光。
● Tg:145℃
● 折光率:1.58
PC可以用于:
● 水溶液包括稀酸和稀碱
● 乙醇
● 油脂
PC不能用于:
● 碱
● 卤代烃
● 酮,醛
● 脂类
● 胺类
● 芳香族

COP是热塑性环烯烃聚合物。其对水蒸气的渗透性低,对水的吸收能力也低。
● Tg:136℃
● 折光率:1.53
COP可以用于:
● 水溶液包括酸和碱
● 极性溶剂
● 硅油
COP不能用于:
● 非极性溶剂
● 矿物油(碳氢化合物)
● 脂肪类
● 卤代烃

测试示例(连接装置和测试结果)



